Z aparatury zakupionej w ramach prowadzonego projektu zbudowano dwa nowe stanowiska pomiarowe w skali instytutu, w którym realizowano projekt, wzbogacające jego możliwości eksperymentalne.
Rysunek 1 Block diagram of the measurement site. 1 – high pressure liquid nitrogen tank, 1a – gaseous nitrogen line, 2 – pressure gauge, 3 – pressure reducer, 4 – gas valve, 5 – rotameter, 6 – Air Jet sample cooler, 7 – isolated connection hose, 8 – variable temperature controller, 9 – measurement chamber, 10 – glass dewar with heater, 11 – support and stabilizer, 12 – gas mixer, 13 – thermal insulation, 14 – sample, 15 – sensor, 16 – conductometer, 17– PC.
Rysunek 2 MS excel interface written for recording of the TSC measurements
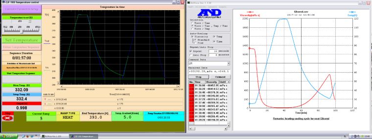
Rysunek 3 Experimental setup for vibrational viscometry
Rysunek 4 Software Interface for recording the thermal dependences of viscosity with vibrational method.